63
ÁÖÅÃ
ÀÇÁ¤ºÎÁö¹æ¹ý¿ø °í¾çÁö¿ø
 °¨Á¤°¡2,359,063,200 ¿ø
 ÃÖÀú°¡(100%) 2,359,063,200 ¿ø
 º¸Áõ±Ý(10%) 235,906,320 ¿ø
 Ã»±¸¾×558,089,590 ¿ø
°æ±âµµ ÆÄÁֽà ¾ß´çµ¿ 147-36
»ç°Ç¹øÈ£ 2025Ÿ°æ62260
°æ¸ÅÁ¾·ùºÎµ¿»êÀÓÀǰæ¸Å
¸Å°¢´ë»óÅäÁö ¹× °Ç¹°Àϰý¸Å°¢
¸Å°¢±âÀÏ    2025.12.11(¸ñ) 10:00 ÀÔÂû 3ÀÏÀü    
ÅäÁö¸éÀû477.00§³(144.29 Æò)
°Ç¹°¸éÀû415.28§³(125.62 Æò)
乫/¼ÒÀ¯ÀÚÇÑOO¿Ü 1¸í / ½ÅOOOOOOOOOO¿Ü 1¸í
ä±ÇÀÚ¼­OOOOOO
±è¼ºÈÆ ´ëÇ¥ÀÌ»ç
°øÀÎÁß°³»ç, ºÎµ¿»ê°ø°æ¸Å»ç, ÇѾç´ëÇб³ Á¹¾÷
Àü) ÅÂÀÎÄÁ¼³ÆÃ(ÁÖ) ´ëÇ¥ÀÌ»ç
Àü) ¿©ÀÇÁֺε¿»êÁß°³¹ýÀÎ(ÁÖ) ´ëÇ¥ÀÌ»ç
Çö) ¿©ÀÇÁÖ°æ¸Å¹ýÀÎ ´ëÇ¥ÀÌ»ç
010-2371-3237
ÆäÀ̽ººÏ Æ®À§ÅÍ ±¸±Û+
īī¿À½ºÅ丮
īī¿ÀÅå sms¹®ÀÚº¸³»±â
 

±âÀϳ»¿ª

°æ°ú ³¯Â¥ Àú°¨ ÃÖÀú°¡ °á°ú
Á¢¼öÀÏ 2025-02-05 °æ¸ÅÁ¢¼ö
~1ÀÏ 
2025-02-06 °æ¸Å°³½Ã°áÁ¤
~85ÀÏ 
2025-05-01 ¹è´ç¿ä±¸Á¾±âÀÏ
~309ÀÏ 
2025-12-11 100%
2,359,063,200
ÁøÇà
¹°°Ç¸í¼¼¼­ ÇöȲÁ¶»ç¼­ ¹®°ÇÁ¢¼ö ¼Û´Þ³»¿ª

°¨Á¤Æò°¡ÇöȲ

¸ñ·Ï ÁÖ¼Ò ±¸Á¶/¿ëµµ/´ëÁö±Ç ¸éÀû ºñ°í
ÅäÁö
¾ß´çµ¿ 147-36 ´ë 467 §³
(141.27Æò)
¾ß´çµ¿ 147-73 ´ë 10 §³
(3.03Æò)
°Ç¹°
¾ß´çµ¿ 147-36 Áö1Ãþ ÁÖÂ÷Àå ö±ÙÄÜÅ©¸®Æ®±¸Á¶ 117.48 §³
(35.54Æò)
¾ß´çµ¿ 147-36 Áö1Ãþ â°í ö±ÙÄÜÅ©¸®Æ®±¸Á¶ 40.33 §³
(12.20Æò)
¾ß´çµ¿ 147-36 1Ãþ ´Üµ¶ÁÖÅà ö±ÙÄÜÅ©¸®Æ®±¸Á¶ 140.87 §³
(42.61Æò)
¾ß´çµ¿ 147-36 2Ãþ ´Üµ¶ÁÖÅà ö±ÙÄÜÅ©¸®Æ®±¸Á¶ 116.6 §³
(35.27Æò)
1) À§Ä¡/°èȹ°ü¸®Áö¿ª/¹ö½ºÁ¤·ùÀå/ö±ÙÄÜÅ©¸®Æ®±¸Á¶ ´õº¸±â
°¨Á¤Æò°¡ ¿äÇ×Ç¥
1)À§Ä¡ ¹× ÁÖÀ§È¯°æ
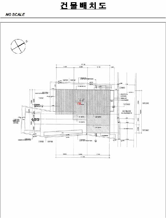
´ë»ó¹°°ÇÀº °æ±âµµ ÆÄÁֽà ¾ß´çµ¿ ¼ÒÀç °æÀÇÁß¾Ó¼±¡±¾ß´ç¿ª¡± ³²µ¿Ãø Àαٿ¡ À§Ä¡Çϸç, ÁÖÀ§´Â ´Üµ¶ÁÖÅÃ, ³ó°æÁö, °øÀå µîÀÌ ¼ÒÀçÇÔ.
2)±³Åë»óȲ
´ë»ó¹°°Ç±îÁö Â÷·®ÃâÀÔÀÌ °¡´ÉÇϸç, Àαٿ¡ ¹ö½ºÁ¤·ùÀåÀÌ ¼ÒÀçÇϳª Â÷·® ¿îÇà ºóµµ, ¿îÇà½Ã°£ µî °í·ÁÇÒ ¶§ Á¦¹Ý ´ëÁß±³Åëȯ°æÀº ´Ù¼Ò ºÒÆíÇÔ.
3)ÇüÅ ¹× ÀÌ¿ë»óÅÂ
´ë»ó¹°°Ç ÅäÁö(1) ÀÎÁ¢ÇÊÁö ´ëºñ µî°í ÆòźÇÑ ºÎÁ¤Çü ÅäÁö·Î¼­, °ÇºÎÁö(´Üµ¶ÁÖÅÃ)À¸·Î ÀÌ¿ëÁßÀÓ.
´ë»ó¹°°Ç ÅäÁö(2) ÇöȲ¡°µµ·Î¡±ÀÓ.
4)ÀÎÁ¢ µµ·Î»óÅÂ
´ë»ó¹°°Ç ÅäÁö(1) ºÏµ¿ÃøÀ¸·Î ³ëÆø ¾à 6¹ÌÅÍ ³»¿ÜÀÇ µµ·Î¿Í Á¢Çϸç, ÀÌ µµ·Î¸¦ ÅëÇÏ¿© Àα٠Áö¿ªÀ¸·Î ¿¬°è °¡´ÉÇÔ.
´ë»ó¹°°Ç ÅäÁö(2) ÇöȲ ¡®µµ·Î¡¯ÀÓ.
5)ÅäÁöÀÌ¿ë°èȹ ¹× Á¦ÇÑ»óÅÂ
±âÈ£(1)
°èȹ°ü¸®Áö¿ª , ¼ºÀå°ü¸®°èȹ±¸¿ª(2024-01-26)(ÁØÁÖ°Å Zone), °¡Ãà»çÀ°Á¦Çѱ¸¿ª(ÀüºÎÁ¦ÇÑ)<°¡ÃàºÐ´¢ÀÇ °ü¸® ¹× À̿뿡 °üÇÑ ¹ý·ü>, <Ãß°¡±âÀç>°ÇÃà¹ý Á¦2Á¶Á¦1Ç×Á¦11È£³ª¸ñ¿¡ µû¸¥ µµ·Î(µµ·ÎÀÏºÎÆ÷ÇÔ)ÀÓ.
±âÈ£(2)
°èȹ°ü¸®Áö¿ª , ¼ºÀå°ü¸®°èȹ±¸¿ª(2024-01-26)(ÁØÁÖ°Å Zone), °¡Ãà»çÀ°Á¦Çѱ¸¿ª(ÀüºÎÁ¦ÇÑ)<°¡ÃàºÐ´¢ÀÇ °ü¸® ¹× À̿뿡 °üÇÑ ¹ý·ü>ÀÓ.
6)Á¦½Ã¸ñ·Ï ¿ÜÀÇ ¹°°Ç
¾ø À½.
7)°øºÎ¿ÍÀÇ Â÷ÀÌ
´ë»ó¹°°Ç ÅäÁö(2) °øºÎ»ó Áö¸ñ ¡®´ë¡¯À̳ª, ÇöȲ ¡®µµ·Î¡¯ÀÓ.
8)±âŸÂü°í»çÇ×(ÀÓ´ë°ü·Ê ¹× ±âŸ)
¹Ì»óÀÓ.
1)°Ç¹°ÀÇ ±¸Á¶
´ë»ó¹°°Ç °Ç¹°Àº ö±ÙÄÜÅ©¸®Æ®±¸Á¶ (ö±Ù)ÄÜÅ©¸®Æ®ÁöºØ ÁöÇÏ1Ãþ/Áö»ó2Ãþ °Ç¹°·Î¼­
¿Ü º® : ¿ÜÀå¼® ¸¶°¨ µî
³» º® : ³»ºÎ ÀÎÅ׸®¾î, º®Áö ¹× ÀϺΠŸÀÏ ¸¶°¨ µî
â È£ : ÇÏÀ̼¦½Ã âȣ ¸¶°¨ µî
2)ÀÌ¿ë»óÅÂ
´Üµ¶ÁÖÅà µîÀ¸·Î ÀÌ¿ëÁßÀÓ.
3)¼³ºñ³»¿ª
±âº»ÀûÀÎ À§»ý¼³ºñ ¹× ³­¹æ¼³ºñ µîÀÌ µÇ¾î ÀÖÀ½.
4)ºÎÇÕ¹° ¹× Á¾¹°
¾ø À½.
5)°øºÎ¿ÍÀÇ Â÷ÀÌ
¾ø À½.
6)±âŸÂü°í»çÇ×(ÀÓ´ë°ü·Ê ¹× ±âŸ)
¹Ì »ó ÀÓ.
Âü°í
»çÇ×
Àϰý¸Å°¢. ¸ñ·Ï3.Àº ÇöȲ µµ·ÎÀÓ
-1.´ë 467§³, 2.ö±ÙÄÜÅ©¸®Æ®±¸Á¶ (ö±Ù)ÄÜÅ©¸®Æ®ÁöºØ ÁöÇÏ1ÃþÁö»ó2Ãþ ´Üµ¶ÁÖÅÃ

°ÇÃ๰ÇöȲ

¼ÒÀçÁö °æ±âµµ ÆÄÁֽà ¾ß´çµ¿ 147-36¹øÁö
´ëÁö¸éÀû 467§³
(141.52Æò)
¿¬¸éÀû 415.28§³
(125.84Æò)
°ÇÃà¸éÀû 184.56§³
(55.93Æò)
¿ëÀû·ü»êÁ¤
¿¬¸éÀû
257.47§³
(78.02Æò)
°ÇÆóÀ² 39.52% ¿ëÀû·ü 55.13%
Áö»óÃþ¼ö 2Ãþ ÁöÇÏÃþ¼ö 1Ãþ
ÁÖ¿ëµµ ´Üµ¶ÁÖÅà ±¸Á¶ ö±ÙÄÜÅ©¸®Æ®±¸Á¶
Âø°øÀÏÀÚ 2021.12.23 »ç¿ë½ÂÀÎÀÏÀÚ 2023.07.04
°ÇÃ๰Ãþº°ÇöȲ [º¸±â]


±¹ÅäºÎ½Ç°Å·¡°¡ °æ±âµµ ÆÄÁֽà ¾ß´çµ¿

¡Ü ¸Å¸Å

¸éÀû(§³), ±Ý¾×(¸¸¿ø)

¡Ü Àü¼¼

¸éÀû(§³), ±Ý¾×(¸¸¿ø)

°è¾àÀÏÀ¯Çü¿¬¸éÀû´ëÁö±Ý¾×°ÇÃà
24.03.22´Üµ¶145.4613244,5002018
24.03.20´Üµ¶137.4614935,0002000
24.03.20´Üµ¶96.9171.6641,9622018
24.03.11´Üµ¶659.52149825,0502009
24.01.25´Ù°¡±¸146.5214730,3702013

µî±âºÎµîº» ¿ä¾à(ÅäÁö)

  Á¢¼öÀÏÀÚ µî±â¸ñÀû/±Ç¸®ÀÚ ±Ç¸®±Ý¾× ±âÁØ
1 2023³â3¿ù17ÀÏ
¼ÒÀ¯±Ç
½ÅOOOO
¼Ò¸ê
2 2021³â11¿ù16ÀÏ
±ÙÀú´ç±Ç
¼­OOOO
573,600,000 ¼Ò¸ê±âÁØ
3 2021³â11¿ù16ÀÏ
±ÙÀú´ç±Ç
¼­OOOO
900,000,000 ¼Ò¸ê
4 2024³â5¿ù20ÀÏ
¾Ð·ù
ÆÄOO
¼Ò¸ê
5 2025³â2¿ù7ÀÏ
ÀÓÀǰæ¸Å
¼­OOOO
¼Ò¸ê

µî±âºÎµîº» ¿ä¾à(°Ç¹°)

  Á¢¼öÀÏÀÚ µî±â¸ñÀû/±Ç¸®ÀÚ ±Ç¸®±Ý¾× ±âÁØ
1
¼ÒÀ¯±Ç
ÇÑOO
¼Ò¸ê
2 2024³â3¿ù4ÀÏ
¾Ð·ù
±¹
¼Ò¸ê±âÁØ
3 2024³â8¿ù6ÀÏ
¾Ð·ù
ÆÄOO
¼Ò¸ê
4 2024³â10¿ù11ÀÏ
±ÙÀú´ç±Ç
¼­OOOO
573,600,000 ¼Ò¸ê
5 2024³â10¿ù11ÀÏ
±ÙÀú´ç±Ç
¼­OOOO
900,000,000 ¼Ò¸ê
6 2025³â2¿ù7ÀÏ
ÀÓÀǰæ¸Å
¼­OOOO
¼Ò¸ê

ÀÓÂ÷ÀÎÇöȲ (¹è´ç¿ä±¸Á¾±âÀÏ: 2025-05-01)


Á¶»çµÈ ÀÓÂ÷³»¿ªÀÌ ¾ø½À´Ï´Ù.


¿©ÀÇÁÖ°æ¸Å Á¶¾ð ÇÑ ¸¶µð

³«Âû ÈÄ¿¡ µî±âºÎ»ó ¼Ò¸êµÇÁö ¾Ê´Â ±Ç¸®´Â ¾ø½À´Ï´Ù.
´ë·«ÀûÀÎ °ËÅäÀǰßÀ̹ǷΠÀÔÂûÀü¿¡ Àü¹®°¡ÀÇ Á¶¾ðÀ» Âü°íÇØ º¸½Ã±æ ±ÇÇØµå¸³´Ï´Ù.
ÃëÇÏ ¶Ç´Â Ãë¼ÒµÉ °¡´É¼º ÀÖ½À´Ï´Ù.
ÀÌ ¹°°ÇÀÇ °¨Á¤°¡°ÝÀº 2,359,063,200¿øÀÔ´Ï´Ù. °æ¸Å¸¦ ½ÅûÇÑ Ã¤±ÇÀÚ°¡ ¹è´ç ¹Þ¾Æ¾ß ÇÒ ±Ý¾×Àº 558,089,590¿øÀ¸·Î °¨Á¤°¡°Ý ´ëºñ »ó´çÈ÷ ÀûÀº ±Ý¾×ÀÔ´Ï´Ù. ÀÌ·± °æ¿ì, 乫°¡°¡ º¯Á¦ÇÏ¿© °æ¸Å¸¦ ÃëÇϽÃŰ°Å³ª °æ¸Å½Åûä±ÇÀÚ°¡ ¹è´ç¹ÞÀ» ±Ý¿øÀÌ ¾ø°ÔµÇ¾î À̸¥ ¹Ù "¹«À׿©¿¡ ÀÇÇÑ Ãë¼Ò"°¡ µÉ °¡´É¼ºÀÌ ÀÖ½À´Ï´Ù.
°¨Á¤ ½ÃÁ¡ÀÌ ¿À·¡µÇ¾î °¡°Ýº¯µ¿ÀÌ ÀÖÀ» ¼ö ÀÖ½À´Ï´Ù.
ÀÌ ¹°°ÇÀº 2025³â 2¿ù 6ÀÏ¿¡ °æ¸Å°¡ °³½ÃµÇ¾ú´Âµ¥ Áö±Ý ½ÃÁ¡À¸·Î ¾à 305ÀÏÀÌ ÀÌ °æ°úµÇ¾ú½À´Ï´Ù. °¨Á¤°¡°ÝÀº 305ÀÏ Àü ½ÃÁ¡¿¡¼­ Æò°¡ÇÑ °¡°ÝÀ̹ǷΠ±× »çÀÌ °¡°Ýº¯µ¿ÀÌ ÀÖÀ» ¼ö ÀÖ½À´Ï´Ù. ƯÈ÷ °¡°Ý º¯µ¿ÀÌ ½ÉÇÑ ¾ÆÆÄÆ®´Â À¯ÀÇÇÏ¼Å¾ß ÇÕ´Ï´Ù. °¨Á¤°¡°ÝÀ» ³Ê¹« ¹ÏÁö ¸¶½Ã°í ÇöÀç ½Ç¸Å¹° °¡°Ý°ú ½Ç°Å·¡°¡¸¦ È®ÀÎÇϽñ⠹ٶø´Ï´Ù.
°£È¤ °¨Á¤°¡°Ýº¸´Ù ³ô°Ô ³«ÂûµÇ´Â °æ¿ì°¡ Àִµ¥ ´ëºÎºÐ ÀÌ·± ÀÌÀ¯ÀÔ´Ï´Ù.
¡Ø ¹°°Ç Ű¿öµå : °ü¸®Áö¿ª/°èȹ°ü¸®Áö¿ª/¹ö½ºÁ¤·ùÀå/ö±ÙÄÜÅ©¸®Æ®±¸Á¶
Àüü ÄÁ¼³ÆÃÀÌ ºÎ´ã½º·¯¿ì½Å°¡¿ä? ±Ç¸®ºÐ¼®¸¸ ÀÇ·ÚÇϼŵµ ±¦Âú½À´Ï´Ù!
½Ç¼Ó ÀÖ°Ô Çٽɸ¸ ´ãÀº ±Ç¸®ºÐ¼® ¼­ºñ½º!! (±Ç¸®ºÐ¼® + ½Ã¼¼Á¶»ç + ³«Âû°¡ »êÁ¤ + ÀÔÂûÇ¥ ÀÛ¼º¹æ¹ý ±îÁö)
ÃÖ´ë Àüü ÄÁ¼³ÆÃ ºñ¿ëÀÇ 10% ¼öÁØ !!

ÁÖÀÇ»çÇ× (ÃÖ¼±¼øÀ§ ¼³Á¤ÀÏ: ¸ñ·Ï1,3: 2021.11.16 ±ÙÀú ´ç±Ç ¼³Á¤ ¸ñ·Ï2: 2024.01.19 ±ÙÀú´ç ±Ç)

¸Å°¢À¸·Î ¼Ò¸êµÇÁö ¾Ê´Â µî±âºÎ±Ç¸®:
¸Å°¢À¸·Î ¼³Á¤µÈ °ÍÀ¸·Î º¸´Â Áö»ó±Ç:
Àϰý¸Å°¢. ¸ñ·Ï3.Àº ÇöȲ µµ·ÎÀÓ
¡Ø¹Ì³³°ü¸®ºñ(°ø¿ë) Àμö¿©ºÎ¸¦ ÀÔÂû Àü¿¡ È®ÀÎÇϽñ⠹ٶø´Ï´Ù

 

Áö¿ªºÐ¼®

ÁöÇÏö¸í Á÷¼±°Å¸®

Çб³¸í ÀüÈ­¹øÈ£ ÁÖ¼Ò Á÷¼±°Å¸®

¹ý¿ø

ÀÇÁ¤ºÎÁö¹æ¹ý¿ø °í¾çÁö¿ø (104-13)°æ±âµµ °í¾ç½Ã Àϻ굿±¸ Àå¹é·Î 209
´ëÇ¥ : 031)920-6114, ¾ß°£ : 031)920-6550, ÆÑ½º : 031)920-6119
°üÇÒÁö¿ª : °í¾ç½Ã, ÆÄÁÖ½Ã

µî±â¼Ò ÀÇÁ¤ºÎÁö¹æ¹ý¿ø °í¾çÁö¿ø ÆÄÁÖµî±â¼Ò (´ëÇ¥:1544-0773, ÆÑ½º:(031)945-4764, 3628, °æ±âµµ ÆÄÁֽà ±ÝÁ¤·Î 45 (±ÝÃ̵¿ 947-28))
¼¼¹«¼­ ÆÄÁÖ¼¼¹«¼­ (´ëÇ¥:031-956-02, ÆÑ½º:031-957-0315, °æ±âµµ ÆÄÁֽà ±Ý¸ª¿ª·Î 62 (±ÝÃ̵¿))

Àαٳ«ÂûÅë°è

±â°£ ¸Å°¢°Ç¼ö Æò±Õ°¨Á¤°¡
Æò±Õ¸Å°¢°¡
¸Å°¢°¡À²
Æò±ÕÀ¯Âû¼ö
3°³¿ù 3°Ç 1,613,522,100¿ø
884,527,000¿ø
55%
2.3ȸ
6°³¿ù 4°Ç 1,392,705,825¿ø
783,890,250¿ø
58%
2.3ȸ
12°³¿ù 6°Ç 1,428,881,540¿ø
919,026,833¿ø
65%
1.8ȸ


º» °æ¸ÅÁ¤º¸´Â ¹ý¿øÀÚ·á¿Í ÀÏÄ¡Çϵµ·Ï ÇÏ¿´À¸³ª ±Ç¸®»çÇ׺¯µ¿, ÀÔ·ÂÂø¿À µîÀÇ ¿øÀÎÀ¸·Î »ç½Ç°ú ´Ù¸¦ ¼ö ÀÖ½À´Ï´Ù. ÀÌ¿ë¾à°ü¿¡ ÀǰЏéÃ¥Á¶°ÇÀ¸·Î Á¦°øµÊÀ» ¾Ë¸®¸ç, °æ¸ÅÀÔÂû½Ã ¹Ýµå½Ã °ü·Ã °øºÎ¸¦ ÀçÈ®ÀÎÇϽñ⠹ٶø´Ï´Ù. º¸´Ù Æí¸®ÇÑ °æ¸ÅÁ¤º¸ Á¦°øÀ» À§ÇØ Áö¼ÓÀûÀ¸·Î °³¼±ÇϰڽÀ´Ï´Ù. ÀÌ¿ëÇØ Áּż­ °¨»çÇÕ´Ï´Ù.
°ü½É¹°°ÇÀ¸·Î µî·ÏÇÕ´Ï´Ù