108
¾ÆÆÄÆ®
ÀÎõÁö¹æ¹ý¿ø
 °¨Á¤°¡441,000,000 ¿ø
 ÃÖÀú°¡(70%) 308,700,000 ¿ø
 º¸Áõ±Ý(10%) 30,870,000 ¿ø
 Ã»±¸¾×1,150,000,000 ¿ø
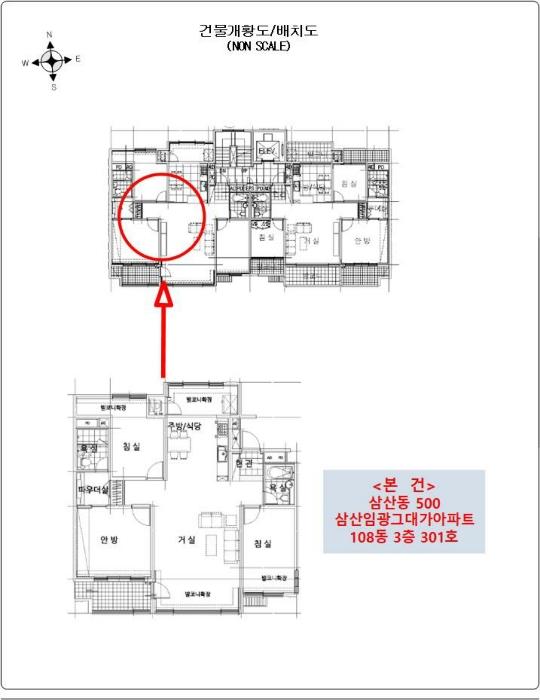
ÀÎõ±¤¿ª½Ã ºÎÆò±¸ ¿µ¼º¼­·Î 10, 108µ¿ 3Ãþ301È£ (»ï»êµ¿,»ï»êÀÓ±¤±×´ë°¡¾ÆÆÄÆ®)
ÀÎõ±¤¿ª½Ã ºÎÆò±¸ »ï»êµ¿ 500
»ç°Ç¹øÈ£ 2024Ÿ°æ570791
°æ¸ÅÁ¾·ùºÎµ¿»ê°­Á¦°æ¸Å
¸Å°¢´ë»óÅäÁö ¹× °Ç¹°Àϰý ¸Å°¢
¸Å°¢±âÀÏ    2026.01.09(±Ý) 10:00 ÀÔÂû 27ÀÏÀü    
ÅäÁö¸éÀû45.17§³(13.66 Æò)
°Ç¹°¸éÀû84.91§³(25.69 Æò)
乫/¼ÒÀ¯ÀÚ±èOO / ±èOO
ä±ÇÀÚ´ëOOO OOOO
±è¼ºÈÆ ´ëÇ¥ÀÌ»ç
°øÀÎÁß°³»ç, ºÎµ¿»ê°ø°æ¸Å»ç, ÇѾç´ëÇб³ Á¹¾÷
Àü) ÅÂÀÎÄÁ¼³ÆÃ(ÁÖ) ´ëÇ¥ÀÌ»ç
Àü) ¿©ÀÇÁֺε¿»êÁß°³¹ýÀÎ(ÁÖ) ´ëÇ¥ÀÌ»ç
Çö) ¿©ÀÇÁÖ°æ¸Å¹ýÀÎ ´ëÇ¥ÀÌ»ç
010-2371-3237
ÆäÀ̽ººÏ Æ®À§ÅÍ ±¸±Û+
īī¿À½ºÅ丮
īī¿ÀÅå sms¹®ÀÚº¸³»±â
 

±âÀϳ»¿ª

°æ°ú ³¯Â¥ Àú°¨ ÃÖÀú°¡ °á°ú
Á¢¼öÀÏ 2024-11-06 °æ¸ÅÁ¢¼ö
~2ÀÏ 
2024-11-08 °æ¸Å°³½Ã°áÁ¤
~93ÀÏ 
2025-02-07 ¹è´ç¿ä±¸Á¾±âÀÏ
~386ÀÏ 
2025-11-27 100%
441,000,000
À¯Âû
~429ÀÏ 
2026-01-09 70%
308,700,000
ÁøÇà
¹°°Ç¸í¼¼¼­ ÇöȲÁ¶»ç¼­ ¹®°ÇÁ¢¼ö ¼Û´Þ³»¿ª

°¨Á¤Æò°¡ÇöȲ

¸ñ·Ï ÁÖ¼Ò ±¸Á¶/¿ëµµ/´ëÁö±Ç ¸éÀû ºñ°í
´ëÁö±Ç
»ï»êµ¿ 500 18169.7ºÐÀÇ 45.1708 45.1708 §³
(13.66Æò)
°Ç¹°
»ï»êµ¿ 500 108µ¿ 3Ãþ301È£ ö±ÙÄÜÅ©¸®Æ®±¸Á¶ 84.91 §³
(25.69Æò)
1) À§Ä¡/Á¦2Á¾ÀϹÝÁÖ°ÅÁö¿ª/¹ö½ºÁ¤·ùÀå/°£¼±µµ·Î/ö±ÙÄÜÅ©¸®Æ®±¸Á¶/Æò½º¶óºêÁöºØ/µµ½Ã°¡½º ´õº¸±â
°¨Á¤Æò°¡ ¿äÇ×Ç¥
1)À§Ä¡ ¹× ÁÖÀ§È¯°æ
º»°ÇÀº ÀÎõ±¤¿ª½Ã ºÎÆò±¸ »ï»êµ¿¿¡ ¼ÒÀçÇÏ´Â "ÇѱæÃʵîÇб³" ¼­ÃøÀαÙÀÇ "»ï»êÀÓ±¤±×´ë°¡¾ÆÆÄÆ®" 108µ¿ 3Ãþ301È£·Î¼­ ÁÖÀ§´Â ¾ÆÆÄÆ®´ÜÁö ¹× ´Ù¼¼´ëÁÖÅà µîÀÌ È¥ÀçÇÏ´Â ÁÖ°ÅÁö´ëÀÎ ¹Ù ÁÖº¯È¯°æÀº º¸Åë½Ã µÊ.
2)±³Åë»óȲ
³²µ¿ÃøÀ¸·Î Á¢ÇÑ ¼Ò·Î µîÀ» ÅëÇÏ¿© Æòõ·Î µî °£¼±µµ·Î¿¡ ¿¬°èµÇ¸ç Àαٿ¡ ¹ö½ºÁ¤·ùÀåÀÌ ¼ÒÀçÇÏ´Â µî ±³Åë¿©°ÇÀº º¸Åë½ÃµÊ.
3)°Ç¹°ÀÇ ±¸Á¶
ö±ÙÄÜÅ©¸®Æ®±¸Á¶ Æò½º¶óºêÁöºØ 15Ãþ°Ç³» 3Ãþ 301È£·Î¼­
¿Üº®: ¸ôÅ»À§ÆäÀÎÆÃ µî ¸¶°¨
³»º®: ¸ôÅ»À§ ÆäÀÎÆÃ, ÀÎÅ׸®¾î µî ¸¶°¨
âȣ: »þ½ÃâȣÀÓ
»ç¿ë½ÂÀÎÀÏ: 2008.11.28.

4)ÀÌ¿ë»óÅÂ
¾ÆÆÄÆ®ÀÓ.
5)¼³ºñ³»¿ª
À§»ý ¹× ±Þ¹è¼ö¼³ºñ, ¿¤¸®º£ÀÌÅÍ, µµ½Ã°¡½º°ø±Þ¼³ºñ µî
6)ÅäÁöÀÇ Çü»ó ¹× ÀÌ¿ë»óÅÂ
ºÎÁ¤ÇüÀÇ ÅäÁö·Î¼­ ¾ÆÆÄÆ® ºÎÁö·Î ÀÌ¿ëÁßÀÓ.
7)ÀÎÁ¢ µµ·Î»óŵî
³²µ¿Ãø, ¼­Ãø, ºÏÃø µîÀ¸·Î ¼Ò·Î¿¡ Á¢ÇÔ.
8)ÅäÁöÀÌ¿ë°èȹ ¹× Á¦ÇÑ»óÅÂ
Á¦2Á¾ÀϹÝÁÖ°ÅÁö¿ª, »ó´ëº¸È£±¸¿ª<±³À°È¯°æ º¸È£¿¡ °üÇÑ ¹ý·ü>, °ú¹Ð¾ïÁ¦±Ç¿ª<¼öµµ±ÇÁ¤ºñ°èȹ¹ý>, (ÇѰ­)Æó±â¹°¸Å¸³½Ã¼³ ¼³Ä¡Á¦ÇÑÁö¿ª<ÇѰ­¼ö°è »ó¼ö¿ø¼öÁú°³¼± ¹× ÁÖ¹ÎÁö¿ø µî¿¡ °üÇÑ ¹ý·ü>
9)°øºÎ¿ÍÀÇ Â÷ÀÌ
ÇØ´ç¾øÀ½.
10)±âŸÂü°í»çÇ×(ÀÓ´ë°ü·Ê ¹× ±âŸ)
ÀÓ´ë°ü°è´Â ¹Ì»óÀÓ.
Âü°í
»çÇ×

º» °ÇÀº 15Ãþ ¾ÆÆÄÆ®ÀÓ.

°ÇÃ๰ÇöȲ

¼ÒÀçÁö ÀÎõ±¤¿ª½Ã ºÎÆò±¸ »ï»êµ¿ 500¹øÁö
´ëÁö¸éÀû   ¿¬¸éÀû 4812.38§³
(1458.3Æò)
°ÇÃà¸éÀû 388.36§³
(117.68Æò)
¿ëÀû·ü»êÁ¤
¿¬¸éÀû
4812.38§³
(1458.3Æò)
°ÇÆóÀ²   ¿ëÀû·ü  
Áö»óÃþ¼ö 15Ãþ ÁöÇÏÃþ¼ö  
ÁÖ¿ëµµ °øµ¿ÁÖÅà ±¸Á¶ ö±ÙÄÜÅ©¸®Æ®±¸Á¶
Âø°øÀÏÀÚ 2006.10.16 »ç¿ë½ÂÀÎÀÏÀÚ 2008.11.28


±¹ÅäºÎ½Ç°Å·¡°¡ ÀÎõ±¤¿ª½Ã ºÎÆò±¸ »ï»êµ¿

¡Ü ¸Å¸Å

¸éÀû(§³), ±Ý¾×(¸¸¿ø)

¡Ü Àü¼¼

¸éÀû(§³), ±Ý¾×(¸¸¿ø)

°è¾àÀÏARTÃþÀü¿ë±Ý¾×°ÇÃà
24.03.28ÀÓ±¤±×´ë°¡184.9138,3002008
24.03.14ÀÓ±¤±×´ë°¡184.9136,5002008
24.03.14ÀÓ±¤±×´ë°¡184.9136,5002008
24.01.15ÀÓ±¤±×´ë°¡184.9139,0002008

µî±âºÎµîº» ¿ä¾à(°Ç¹°)

  Á¢¼öÀÏÀÚ µî±â¸ñÀû/±Ç¸®ÀÚ ±Ç¸®±Ý¾× ±âÁØ
1 2017³â2¿ù8ÀÏ
¼ÒÀ¯±Ç
±èOO
¼Ò¸ê
2 2017³â2¿ù8ÀÏ
±ÙÀú´ç±Ç
(OOOO
220,000,000 ¼Ò¸ê±âÁØ
3 2021³â11¿ù10ÀÏ
±ÙÀú´ç±Ç
(OOOO
240,000,000 ¼Ò¸ê
4 2024³â11¿ù8ÀÏ
°­Á¦°æ¸Å
´ëOOOO
¼Ò¸ê

ÀÓÂ÷ÀÎÇöȲ (¹è´ç¿ä±¸Á¾±âÀÏ: 2025-02-07)


Á¶»çµÈ ÀÓÂ÷³»¿ªÀÌ ¾ø½À´Ï´Ù


¿©ÀÇÁÖ°æ¸Å Á¶¾ð ÇÑ ¸¶µð

³«Âû ÈÄ¿¡ µî±âºÎ»ó ¼Ò¸êµÇÁö ¾Ê´Â ±Ç¸®´Â ¾ø½À´Ï´Ù.
´ë·«ÀûÀÎ °ËÅäÀǰßÀ̹ǷΠÀÔÂûÀü¿¡ Àü¹®°¡ÀÇ Á¶¾ðÀ» Âü°íÇØ º¸½Ã±æ ±ÇÇØµå¸³´Ï´Ù.
ü³³°ü¸®ºñ¸¦ ºÎ´ãÇÒ ¼ö ÀÖ½À´Ï´Ù.
°¨Á¤ ½ÃÁ¡ÀÌ ¿À·¡µÇ¾î °¡°Ýº¯µ¿ÀÌ ÀÖÀ» ¼ö ÀÖ½À´Ï´Ù.
ÀÌ ¹°°ÇÀº 2024³â 11¿ù 8ÀÏ¿¡ °æ¸Å°¡ °³½ÃµÇ¾ú´Âµ¥ Áö±Ý ½ÃÁ¡À¸·Î ¾à 400ÀÏÀÌ ÀÌ °æ°úµÇ¾ú½À´Ï´Ù. °¨Á¤°¡°ÝÀº 400ÀÏ Àü ½ÃÁ¡¿¡¼­ Æò°¡ÇÑ °¡°ÝÀ̹ǷΠ±× »çÀÌ °¡°Ýº¯µ¿ÀÌ ÀÖÀ» ¼ö ÀÖ½À´Ï´Ù. ƯÈ÷ °¡°Ý º¯µ¿ÀÌ ½ÉÇÑ ¾ÆÆÄÆ®´Â À¯ÀÇÇÏ¼Å¾ß ÇÕ´Ï´Ù. °¨Á¤°¡°ÝÀ» ³Ê¹« ¹ÏÁö ¸¶½Ã°í ÇöÀç ½Ç¸Å¹° °¡°Ý°ú ½Ç°Å·¡°¡¸¦ È®ÀÎÇϽñ⠹ٶø´Ï´Ù.
°£È¤ °¨Á¤°¡°Ýº¸´Ù ³ô°Ô ³«ÂûµÇ´Â °æ¿ì°¡ Àִµ¥ ´ëºÎºÐ ÀÌ·± ÀÌÀ¯ÀÔ´Ï´Ù.
¡Ø ¹°°Ç Ű¿öµå : ÁÖ°ÅÁö¿ª/Á¦2Á¾ÀϹÝÁÖ°ÅÁö¿ª/¹ö½ºÁ¤·ùÀå/°£¼±µµ·Î/ö±ÙÄÜÅ©¸®Æ®±¸Á¶/Æò½º¶óºêÁöºØ/½º¶óºêÁöºØ/µµ½Ã°¡½º
Àüü ÄÁ¼³ÆÃÀÌ ºÎ´ã½º·¯¿ì½Å°¡¿ä? ±Ç¸®ºÐ¼®¸¸ ÀÇ·ÚÇϼŵµ ±¦Âú½À´Ï´Ù!
½Ç¼Ó ÀÖ°Ô Çٽɸ¸ ´ãÀº ±Ç¸®ºÐ¼® ¼­ºñ½º!! (±Ç¸®ºÐ¼® + ½Ã¼¼Á¶»ç + ³«Âû°¡ »êÁ¤ + ÀÔÂûÇ¥ ÀÛ¼º¹æ¹ý ±îÁö)
ÃÖ´ë Àüü ÄÁ¼³ÆÃ ºñ¿ëÀÇ 10% ¼öÁØ !!

ÁÖÀÇ»çÇ× (ÃÖ¼±¼øÀ§ ¼³Á¤ÀÏ: 2017.2.8. ±ÙÀú´ç±Ç ¼³Á¤)

¸Å°¢À¸·Î ¼Ò¸êµÇÁö ¾Ê´Â µî±âºÎ±Ç¸®:
¸Å°¢À¸·Î ¼³Á¤µÈ °ÍÀ¸·Î º¸´Â Áö»ó±Ç:
¡Ø¹Ì³³°ü¸®ºñ(°ø¿ë) Àμö¿©ºÎ¸¦ ÀÔÂû Àü¿¡ È®ÀÎÇϽñ⠹ٶø´Ï´Ù

 

Áö¿ªºÐ¼®

ÁöÇÏö¸í Á÷¼±°Å¸®

Çб³¸í ÀüÈ­¹øÈ£ ÁÖ¼Ò Á÷¼±°Å¸®

¹ý¿ø

ÀÎõÁö¹æ¹ý¿ø (222-20)ÀÎõ±¤¿ª½Ã ¹ÌÃßȦ±¸ ¼Ò¼º·Î 163¹ø±æ 17(ÇÐÀ͵¿)
´ëÇ¥ : 032)860-1113~4
°üÇÒÁö¿ª : Áß±¸, µ¿±¸, ³²±¸, ¿¬¼ö±¸, ³²µ¿±¸, ºÎÆò±¸, °è¾ç±¸, ¼­±¸, ¿ËÁø±º, °­È­±º

µî±â¼Ò ÀÎõÁö¹æ¹ý¿ø º»¿ø µî±â±¹ (´ëÇ¥:1544-0773, ÆÑ½º:(032)620-9099, ÀÎõ±¤¿ª½Ã ¹ÌÃßȦ±¸ °æ¿ø´ë·Î 881(Á־ȵ¿ 983))
¼¼¹«¼­ ºÏÀÎõ¼¼¹«¼­ (´ëÇ¥:032-540-62, ÆÑ½º:032-545-0411, ÀÎõ±¤¿ª½Ã °è¾ç±¸ È¿¼­·Î244(ÀÛÀüµ¿ 422-1) )

Àαٳ«ÂûÅë°è

±â°£ ¸Å°¢°Ç¼ö Æò±Õ°¨Á¤°¡
Æò±Õ¸Å°¢°¡
¸Å°¢°¡À²
Æò±ÕÀ¯Âû¼ö
3°³¿ù 34°Ç 321,970,588¿ø
276,589,910¿ø
83%
1.9ȸ
6°³¿ù 81°Ç 302,592,593¿ø
256,032,764¿ø
81%
2ȸ
12°³¿ù 153°Ç 302,219,608¿ø
252,950,942¿ø
81%
1.9ȸ


º» °æ¸ÅÁ¤º¸´Â ¹ý¿øÀÚ·á¿Í ÀÏÄ¡Çϵµ·Ï ÇÏ¿´À¸³ª ±Ç¸®»çÇ׺¯µ¿, ÀÔ·ÂÂø¿À µîÀÇ ¿øÀÎÀ¸·Î »ç½Ç°ú ´Ù¸¦ ¼ö ÀÖ½À´Ï´Ù. ÀÌ¿ë¾à°ü¿¡ ÀǰЏéÃ¥Á¶°ÇÀ¸·Î Á¦°øµÊÀ» ¾Ë¸®¸ç, °æ¸ÅÀÔÂû½Ã ¹Ýµå½Ã °ü·Ã °øºÎ¸¦ ÀçÈ®ÀÎÇϽñ⠹ٶø´Ï´Ù. º¸´Ù Æí¸®ÇÑ °æ¸ÅÁ¤º¸ Á¦°øÀ» À§ÇØ Áö¼ÓÀûÀ¸·Î °³¼±ÇϰڽÀ´Ï´Ù. ÀÌ¿ëÇØ Áּż­ °¨»çÇÕ´Ï´Ù.
°ü½É¹°°ÇÀ¸·Î µî·ÏÇÕ´Ï´Ù